繼電器節電器電路原理圖-上海上繼科技有限公司
發表時間:2023-12-11 10:12 瀏覽次數:2838 〖返回〗繼電器通常在可以啟動機械金屬接觸器運動的電流水平下運行。建立接觸后,保持導體板保持連接所需的電流水平實際上小于啟動接觸的電流。
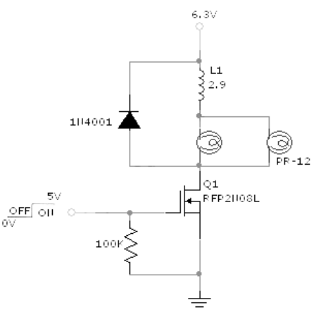
該節電電路似乎具有與浪涌保護器相反的機制。該電路提供浪涌電流來啟動機械運動,但之后,該電路會節流電流以節省電力,提供較低的電流水平只是為了保持觸點保持連接。這是電路原理圖:

該電路的機制與電流浪涌保護器類似,但實現方式相反。如果我們使用負系數壓敏電阻,這里我們使用一種正系數壓敏電阻,其電阻隨著溫度的升高而增加。
這種壓敏電阻實際上是一個白熾燈泡,兩個燈泡并聯。在寒冷的溫度下,該燈泡的電阻非常低,這確保繼電器有足夠的電源來啟動其接觸器的機械運動。
繼電器工作后,燈泡溫度的升高將使電流降低到較低水平,從而節省電能,同時保持接觸器保持連接狀態。這就是這個節電電路的全部機制。
公司介紹:上海上繼科技有限公司是一家專業從事電力系統繼電保護及智能電網電力自動化產品的研發、設計、生產、銷售和服務為一體的高科技公司。擁有資深繼電保護專家團隊和國內**的檢測儀器及校驗設備。同時還引用國內外先進技術,來進行技術創新。本公司的產品廣泛用于電力、工礦、鐵路、建筑等國家重大工程輸配變電系統上,產品遠銷東南亞及中東地區。產品通過國家繼電保護及自動化設備質量監督檢驗中心檢測,獲得ISO9001國際質量體系認證?!翱萍紕撔拢\信務實”是公司的經營理念,本公司以高超的技術支持和對用戶高度負責的售后服務贏得了輸配電成套企業的信賴,且樹立了良好的信譽。
公司主營:繼電器(時間繼電器,電壓繼電器,電流繼電器,中間繼電器,信號繼電器,閃光繼電器,沖擊繼電器,同步檢查繼電器,接地繼電器,差動繼電器,重合閘繼電器,絕緣監視繼電器,雙位置繼電器,模數化繼電器),智能操控裝置,微機保護裝置,電力儀表
上海上繼科技有限公司(專注電力保護繼電器生產廠家)銷售熱線:021-57233089 QQ:1932551438
{以上內容僅供參考,上海上繼科技有限公司有最終解釋權}
更多繼電器精彩文章——配電箱安裝和明裝有點搞混了?
- 上一篇:如何正確使用以確保舌簧繼電器的可靠性?
- 下一篇:如何選擇配電箱?應該選擇什么型號?





