差動繼電器-上海上繼科技有限公司
發表時間:2019-01-07 09:04 瀏覽次數:1166 〖返回〗差動繼電器又稱作差動保護繼電器,它普遍應用于電力系統中的發電機、電動機、變壓器和母線的繼電保護中,簡單的說就是采用比較被保護設備兩端電流,正常時,兩端電流一進一出相互抵消,內部發生短路等故障時,同時流入內部,啟動該繼電器,出口使開關跳閘起到保護發電機、電動機、變壓器的作用。

差動繼電器工作原理
差動繼電器的基本原理是交流磁制動,差動繞組接入保護的差動回路,平衡及制動繞組接入環流回路,其作用過程為在正常情況下或者發生穿越性短路時,通過制動繞組的是電流互感器二次電流或全部短路電流,制動安匝產生兩部分磁通,一部分磁通在局部磁路中環流,其作用是使鐵芯飽和,自動地增大動作電流,從而避免繼電器的誤動作,這便是所謂的交流磁制動作用。就這一部分磁通的效應而言,四個制動繞組是彼此獨立的,沒有相互關系,也不會與二次繞組發生電磁感應。制動安匝還產生了另一部分磁通ΦZC,它沿著整個磁路環流。并在二次繞組里產生感應電勢,也就是制動繞組起了部分的工作繞組的作用。
差動繼電器常見的幾種型號
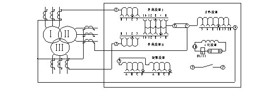
BCH-1型差動繼電器
用途:繼電器具有一個制動繞組,能對兩繞組及三繞組電力變壓器進行單相差動保護。
結構概述:該繼電器由DL-11電磁式電流繼電器(執行元件)及一個中間快速飽和變流器(以下簡稱變流器)組成。
繼電器具有制動繞組,它構成差動繼電器的一些主要技術性能,如制動特性,躲避勵磁涌流特性以及消除不平衡電流效應的自耦變流器的性能等。

用途:BCH-2型差動繼電器(以下簡稱繼電器)用于兩繞組或三繞組電力變壓器以及交流發電機的單相差動保護線路中,作為主保護。
結構差動繼電器由兩部分組成:DL-11型電流繼電器和中間飽和變流器(以下簡稱變流器)。前者作為執行元件,后者具有短路繞組,它構成差動繼電器的一些主要技術性能,如直流偏磁特性消除不平衡電流效應的自耦變流器性能等。

上海上繼科技有限公司(專注電力保護繼電器生產廠家)銷售熱線:021-57233089 QQ:1932551438
( 以上內容僅供參考,上海上繼科技有限公司有最終解釋權)
更多繼電器精彩文章→中間繼電器作用





