JSL-13定時限過流繼電器-上海上繼科技有限公司
發表時間:2020-07-17 15:51 瀏覽次數:1412 〖返回〗
一、JSL-13定時限過流繼電器維修保養和貯存
1、維修保養無特殊要求,即當繼電器工作不正常或出現故障時,由工作人員立即進行更換,并送廠方進行檢修。
2、未用或備用之繼電器,應貯存在空氣流通且溫度不高于+55℃和不低于-25℃以及相對濕度不大于90%的環境中,庫房內應無酸堿鹽及腐蝕性或爆炸性氣體,不受塵埃及雨雪的侵襲。
二、JSL-13定時限過流繼電器主要技術條件
1、額定值:50Hz交流5A,波形畸變不超過2%。
2、起動電流整定范圍2.0~9.9A,級差為0.1A。
3、電流速動倍數整定范圍:2~9.9倍,級差為0.1倍。
4、延時時間整定范圍:0.05s~9.99s,級差0.01s。
5、速動動作時間:繼電器任一整定點上,在1.2倍速動電流時的動作時間不大于50ms。
6、誤差:在基準條件下,電流整定值誤差不大于±3%;延時誤差不大于±0.1%+50ms。
7、返回系數:不小于0.9。8、功率消耗:額定電流時功率消耗不大于6VA。
9、觸點容量:
a、接通容量:在直流電壓不超過250V時,產品主觸點連續接通電流為10A;
b、斷開容量:在電壓不超過250V的感性負荷回路中(L/R=5ms),產品分斷容量為50W;
c:過載能力:繼電器的觸點能可靠地斷開1.5倍規定容量的電流5次,且觸點的性能仍符合技術標準的要求。
10、介質強度:繼電器同一組觸點斷開時,能承受工頻1kV電壓,歷時1min;無電氣聯系的各導電部分之間,能承受工頻2kV電壓,歷時1min;所有導電部分對安裝架之間,能承受工頻2kV電壓,歷時1min試驗;應無絕緣擊穿或閃絡現象。
11、絕緣電阻:在標準試驗大氣條件下,繼電器各導電端子與外露的非帶電金屬部分或外殼之間,用開路電壓為500V兆歐表測量其絕緣電阻應不小于20MΩ。
12、工作壽命:繼電器在規定的負荷下為80000次,平均無故障率時間為8萬小時。
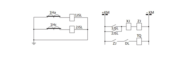
三、JSL-13定時限過流繼電器應用接線舉例
1、采用直流操作電源

如上圖所示為直流操作的由JSL繼電器構成的二相式定時限保護的原理圖。若作為線路保護JSL應選擇JSL-11、12型;若用于變壓器、電動機過負荷保護,根據需要,在延時跳閘時選用JSL-11、12型;在延時發信號時選用JSL-13、14型繼電器。
2、采用交流操作電源

如上圖所示為由JSL繼電器構成的去分流操作機構的保護原理圖。若作為線路保護JSL應選擇JSL-15型;若用于變壓器、電動機過負荷保護、根據需要,在延時跳閘時選用JSL-15型;在延時發信號時選用JSL-16型繼電器。
公司介紹:上海上繼科技有限公司是一家專業從事電力系統繼電保護及智能電網電力自動化產品的研發、設計、生產、銷售和服務為一體的高科技公司。擁有資深繼電保護專家團隊和國內**的檢測儀器及校驗設備。同時還引用國內外先進技術,來進行技術創新。本公司的產品廣泛用于電力、工礦、鐵路、建筑等國家重大工程輸配變電系統上,產品遠銷東南亞及中東地區。產品通過國家繼電保護及自動化設備質量監督檢驗中心檢測,獲得ISO9001國際質量體系認證。“科技創新,誠信務實”是公司的經營理念,本公司以高超的技術支持和對用戶高度負責的售后服務贏得了輸配電成套企業的信賴,且樹立了良好的信譽。
公司主營:繼電器(時間繼電器,電壓繼電器,電流繼電器,中間繼電器,信號繼電器,閃光繼電器,沖擊繼電器,同步檢查繼電器,接地繼電器,差動繼電器,重合閘繼電器,絕緣監視繼電器,雙位置繼電器,模數化繼電器),智能操控裝置,微機保護裝置,電力儀表
上海上繼科技有限公司(專注電力保護繼電器生產廠家)銷售熱線:021-57233089 QQ:1932551438
{以上內容僅供參考,上海上繼科技有限公司有最終解釋權}
更多繼電器精彩文章——JSL-11靜態定時限過流繼電器說明書及工作原理
- 上一篇:JSL-12定時限過流繼電器
- 下一篇:JSL-14定時限過流繼電器





