JGL-15/II過流繼電器產品圖片及應用范圍-上海上繼科技有限公司
發表時間:2020-01-06 16:01 瀏覽次數:1195 〖返回〗
一、JGL-15/II二相靜態反時限過流繼電器應用范圍
JGL-15/Ⅱ二相靜態反時限過流繼電器(定時限和反時限的總稱)適用于電網供電系統中作為變壓器、電機等主設備以及輸配電系統中出現過負荷或短路故障時,該產品能按預定的時限可靠動作,并發信號或跳閘切除故障部分。保護設備及輸配電系統安全。該產品針對A、C保護,集眾多功能于一體。是目前我國電力行業**有代表性推廣更新換代產品。
二、JGL-15/II二相靜態反時限過流繼電器主要技術指標
1、額定值:50HZ交流5A,波形畸變不超過2%。
2、過流整定范圍:2-10A,級差為0.1A。電流整定誤差不大于±3%。
3、速斷倍數整定范圍:2-9.9倍,級差為0.1倍。電流速斷整定誤差不大于±4%。 4、速動動作時間:繼電器任一整定值上在1.2倍速動電流時動作時間不大于50ms。
5、返回系數:不小于0.85。
6、功率消耗:在額定電流時功率消耗不大于8VA。
7、觸點接通容量:在直流電壓不超過250V時,該產品觸點能連續接通電流為10A。
8、觸點斷開容量:在電壓不超過250V的感性負荷中,該產品觸點能分斷容量為50W。
9、介質強度:在標準試驗條件下,各導電部分連在一起對外露非帶電金屬部分及外殼之間應能承受交流有效值 2000V/50HZ的試驗電壓, 歷時1min無絕緣擊穿或閃絡現象。
絕緣電阻:繼電器各導電部分對外露非帶電金屬部分及外殼之間,
10、絕緣電阻:在標準試驗條件下,繼電器各導電部分對外飛帶電金屬部分及外殼之間,用開路電壓為500V的測試儀測其絕緣阻值應不小于20MΩ。
三、JGL-15/II二相靜態反時限過流繼電器工作原理
該產品為集成電路帶時限過流繼電器,原理方框圖如圖2所示。可將A、C二相過流信號同時輸入,二相電流具有相同的整定條件,該繼電器具有自動選擇二相中故障較嚴重的一相作為保護對象并把信號進行運算處理,來決定繼電繼輸出動作情況。繼電器動作后, 有動作指示并記憶故障是A相還是C相特性,便于值班人員進行分析。

四、JGL-15/II二相靜態反時限過流繼電器外形結構及安裝開孔尺寸圖

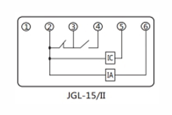
五、JGL-15/II二相靜態反時限過流繼電器內部端子外引接線圖

公司介紹:上海上繼科技有限公司是一家專業從事電力系統繼電保護及智能電網電力自動化產品的研發、設計、生產、銷售和服務為一體的高科技公司。擁有資深繼電保護專家團隊和國內**的檢測儀器及校驗設備。同時還引用國內外先進技術,來進行技術創新。本公司的產品廣泛用于電力、工礦、鐵路、建筑等國家重大工程輸配變電系統上,產品遠銷東南亞及中東地區。產品通過國家繼電保護及自動化設備質量監督檢驗中心檢測,獲得ISO9001國際質量體系認證。“科技創新,誠信務實”是公司的經營理念,本公司以高超的技術支持和對用戶高度負責的售后服務贏得了輸配電成套企業的信賴,且樹立了良好的信譽。
公司主營:繼電器(時間繼電器,電壓繼電器,電流繼電器,中間繼電器,信號繼電器,閃光繼電器,沖擊繼電器,同步檢查繼電器,接地繼電器,差動繼電器,重合閘繼電器,絕緣監視繼電器,雙位置繼電器,模數化繼電器),微機保護裝置,電力儀表,智能操控裝置
上海上繼科技有限公司(專注電力保護繼電器生產廠家)銷售熱線:021-57233089 QQ:1932551438
{以上內容僅供參考,上海上繼科技有限公司有最終解釋權}
更多繼電器精彩文章——DZS-136延時中間繼電器應用范圍及產品圖片





