SSJ-41B靜態時間繼電器產品圖片及產品價格-上海上繼科技有限公司
發表時間:2019-12-15 17:26 瀏覽次數:1041 〖返回〗一、SSJ-41B靜態時間繼電器產品圖片
SSJ-41B靜態時間繼電器用于電力系統二次回路繼電保護及自動控制回路中,作為延時裝量使被控元件得到所需延時。本繼電器為集成電路靜態型繼電器,精度高、功耗小、動作時間準確、整定直觀方便、范圍寬,工作電源采用開關電源變換,交直流通用,完全可替代電磁型時間繼電器。

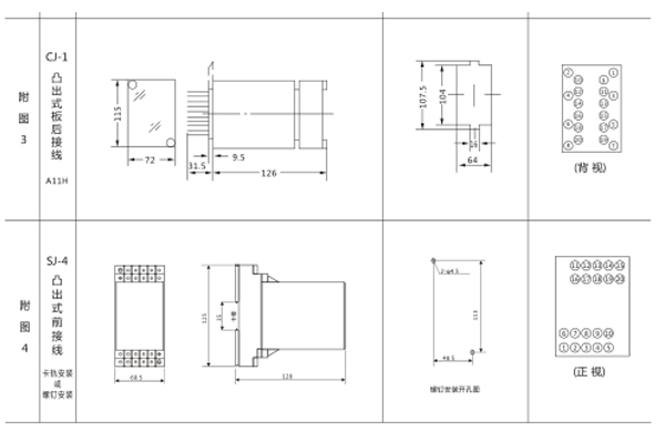
二、SSJ-41B靜態時間繼電器安裝尺寸

三、SSJ-41B靜態時間繼電器工作原理
1、本繼電器延時精度遠高于DS型電磁式時間繼電器,能滿足電力系統繼電保護中縮短保護時間級差的要求,是目前時間繼電器理想的更新換代產品。該繼電器外形結構和內部接線、工作方式、整定范圍與DS系列時間繼電器相同,僅整定方式不同,拔碼開關的三位數乘以0.01 s或0. ls時間時基即為整定時間,改變整定值無需進行校驗。
2、本繼電器為動作延時型數字時間繼電器,由進口CMOS集成電路構成,繼電器由振蕩器、分頻器和三級脈沖計數器組成,通過BCD碼拔碼開關整定延時值。
3、本繼電器通常不帶電,施加額定電壓后,繼電器內部瞬動繼電器動作、同時晶振起振,產生時鐘脈沖,經分頻后由計數器計脈沖數,當所計脈沖數達到延時整定值時,觸發器翻轉,驅動出口繼電器動作,實現所需延時,由于采用了晶體振蕩器并增加時間補償預置電路,對于極短的延時值也嚴格符合整定值,具有極高的精度。
4、繼電器的雙延時回路延時相對獨立,并各自驅動一個執行繼電器,所以兩個執行繼電器的動合觸點按延時長短,可作為繼電器的中止和滑動觸點使用,但滑動觸點閉合后,其閉合狀態一直保持到繼電器失電返回為止,如用戶需滑動觸點閉合一定時間后立即返回,訂貨時需特別注明,并提出滑動觸點的閉合持續時間。
5、繼電器原理圖見圖1。

公司介紹:上海上繼科技有限公司是一家專業從事電力系統繼電保護及智能電網電力自動化產品的研發、設計、生產、銷售和服務為一體的高科技公司。擁有資深繼電保護專家團隊和國內**的檢測儀器及校驗設備。同時還引用國內外先進技術,來進行技術創新。本公司的產品廣泛用于電力、工礦、鐵路、建筑等國家重大工程輸配變電系統上,產品遠銷東南亞及中東地區。產品通過國家繼電保護及自動化設備質量監督檢驗中心檢測,獲得ISO9001國際質量體系認證。“科技創新,誠信務實”是公司的經營理念,本公司以高超的技術支持和對用戶高度負責的售后服務贏得了輸配電成套企業的信賴,且樹立了良好的信譽。
公司主營:繼電器(時間繼電器,電壓繼電器,電流繼電器,中間繼電器,信號繼電器,閃光繼電器,沖擊繼電器,同步檢查繼電器,接地繼電器,差動繼電器,重合閘繼電器,絕緣監視繼電器,雙位置繼電器,模數化繼電器),微機保護裝置,電力儀表,智能操控裝置
上海上繼科技有限公司(專注電力保護繼電器生產廠家)銷售熱線:021-57233089 QQ:1932551438
{以上內容僅供參考,上海上繼科技有限公司有最終解釋權}
更多繼電器精彩文章——JL-D/31電流繼電器說明書及工作原理





