JX-3/2靜態閃光繼電器應用范圍及接線圖-上海上繼科技有限公司
發表時間:2020-05-16 14:20 瀏覽次數:1227 〖返回〗一、JX-3/2靜態閃光繼電器應用范圍
JX-3/2靜態閃光繼電器主要用于各種鑲嵌屏上,當被保護系統發生故障,主保護繼電器動作時,通過閃光繼電器控制各種燈光信號。

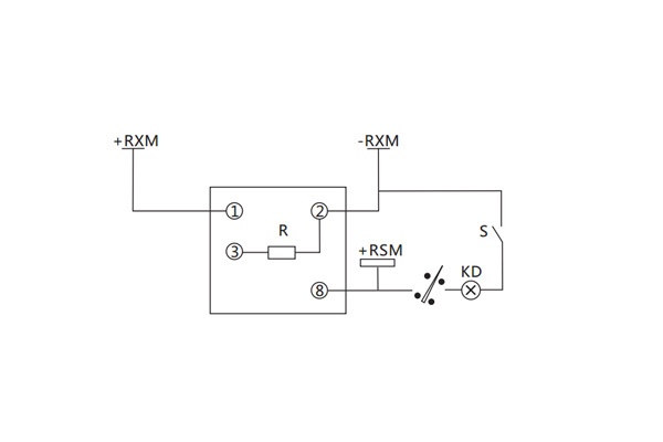
二、JX-3/2靜態閃光繼電器接線圖

三、JX-3/2靜態閃光繼電器技術要求
1.額定直流輔助電壓: 48V,110V,220V。
2.閃光頻率: 60次/min。
3.功率消耗:直流電壓回路(輔助激勵量)功耗220V時不大于15W,110V時不大于7W,48V時不大于3W。
4.觸點性能
4.1觸點容量:在電壓不大于250V,電流不大于2A,時間常數為40ms的直流回路中,觸點斷開容量為30W。在交流電路中為 300VA(cosφ=0.4±0.1),觸點長期通電流為2A。
4.2繼電器觸點型式繼電器提供一付動合觸點。
5.工作條件
a)使用地點不允許有爆炸危險的介質,周圍介質中不含有腐蝕金屬和破壞絕緣的氣體及導電介質,不允許充滿水蒸汽和有較嚴重的霉菌存在;
b)使用地點不允許有較強的振動和沖擊;
c)使用地點應具有防御雨、雪、風、沙的設施;
d)使用地點不允許超過1.5mT的外磁感應強度。
6.介質強度 繼電器各導電電路對外露非帶電金屬部分及外殼之間以及不同回路之間應能承受2kV(有效值),50Hz的交流試驗電壓,歷時1min試驗,而無絕緣擊穿及閃絡現象。
7.電氣抗干擾 繼電器應符合GB7261和GB6261《靜態繼電器及保護裝置的電氣抗干擾試驗》。
四、JX-3/2靜態閃光繼電器型號及含義

公司介紹:上海上繼科技有限公司是一家專業從事電力系統繼電保護及智能電網電力自動化產品的研發、設計、生產、銷售和服務為一體的高科技公司。擁有資深繼電保護專家團隊和國內**的檢測儀器及校驗設備。同時還引用國內外先進技術,來進行技術創新。本公司的產品廣泛用于電力、工礦、鐵路、建筑等國家重大工程輸配變電系統上,產品遠銷東南亞及中東地區。產品通過國家繼電保護及自動化設備質量監督檢驗中心檢測,獲得ISO9001國際質量體系認證。“科技創新,誠信務實”是公司的經營理念,本公司以高超的技術支持和對用戶高度負責的售后服務贏得了輸配電成套企業的信賴,且樹立了良好的信譽。
上海上繼科技有限公司(專注電力保護繼電器生產廠家)銷售熱線:021-57233089 QQ:1932551438
{以上內容僅供參考,上海上繼科技有限公司有最終解釋權}
更多繼電器精彩文章——JL8-31電流繼電器工作原理及技術條件





