時間繼電器與差動繼電器特點與性能參數-上海上繼科技有限公司
發表時間:2019-08-12 15:56 瀏覽次數:1667 〖返回〗
一、SJ23-62時間繼電器概述
SJ23-62空氣式時間繼電器(以下簡稱延時繼電器) , 適用交流50或60Hz電壓至660V或直流電壓至220V的控制電路作為控制時間的元
件,以延時接通或分斷電路。
二、SJ23-62時間繼電器
結構簡介
SJ23-62時間繼電器有繼電器主體和延時頭主件兩大部分組成。繼電器主體是一個具有4個瞬時動作接 點的控制繼電器。延時頭主件又有
具有較高的延時精度。
氣動延時機構,延時動作接點及傳動構件等三部分構成。本系列時間繼電器為空氣式延時繼電器,采用“平面型圓盤可調空氣道延時結構”
三、SJ23-62時間繼電器
外形及安裝尺寸導軌螺釘安裝

四、SJ23-62時間繼電器技術參數
●時間繼電器符合IEC947標準及GB14048標準。
●額定控制容量:交流300VA ,直流60W (延時頭組件30W )。
●繼電器線圈電壓等級:交流380V、220V、110V、 48V、36V. 24V ,直流220V、110V、 60V、 48V、24V、 12V.
●接點**工作電流:交流380V時為0.79A ,直流220V時為0.27A (瞬動)及0.14A (延時)。
●延時重復誤差:≤9%。
●工作電壓:交流為85~110% ,釋放電壓20~70% ;直流工作電壓為80~110% ,釋放電壓為10~ 70%。
●機械壽命不低于500萬次,電壽命100萬次。
五、SJ23-62時間繼電器使用注意
1、要保持時間繼電器的清潔,否則誤差會增大。
2、用前檢查電源電壓與頻率是否與時間繼電器的電壓與頻率相符。
3、根據用戶要求選擇時間繼電器的控制時間的長短。
4、流產品要注意按電路圖接線,注意電源的極性。
5、盡量避免在振動明顯、陽光直射、潮濕及接觸油的場合使用。

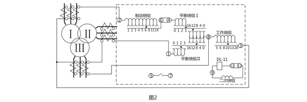
BCH-1差動繼電器具有一個制動繞組,能對兩繞組及三繞組電力變壓器進行單相差動保護。
一、BCH-1差動繼電器的參數
1.額定定電流5A,額定頻率50Hz。
2 無制動時繼電器的起始動作安匝AWo=60±4。
3.當用于保護三繞組電力變壓器時,其動作電流可在3A至12A的范圍內進行整定(AWo=60) ,對于動作的最小整定值,其**平衡系數接近于2 。
當用于保護兩繞組電力變壓器時,其動作電流可以在1.55A至12A的范圍內進行整定。
4.由動作電流與制動電流的比值所決定的制動系數Kz可以在廣泛的范圍內變化,圖3的制動特性AWp=f(AWz)是其極限范圍,它與工作電流濟口制動電流間的相位角有關,但無論在任何角下都不應越出曲線的范圍。

5.可靠系數(當一次動作電流等于5IDz的繼電器正弦動作電流與當一次動作電流等于5IDZ的正弦動作電流的比值)不小于1.35。
6. 3倍動作電流時差動繼電器的動作時間不大于0.035s。
7.繼電器具有一個動合觸點,在電感性負荷的直流電路中, (其時間常數不大于5x10's) ,且電壓不大于220V,電流不大于2A時,觸點的斷開容量50W。
8.在正常工作狀態下當電流為5A且變流器的制動繞組平衡繞組在全部匝數投入的情況下繼電器的單相功率消耗不大于8.5VA。
9.變流器的工作、平衡和制動繞組可長期通過電流10A。
10.介質強度 繼電器的電路對外露非帶電金屬部分之間應能耐受2kV, 50Hz的交流電壓歷時1min而無擊穿或閃絡現象。
11.繼電器的繞組數據如表1所示。

二、BCH-1差動繼電器的接線圖

三、BCH-1差動繼電器的開孔尺寸

上海上繼科技有限公司(專注電力保護繼電器生產廠家)銷售熱線:021-57233089 QQ:1932551438
(以上內容僅供參考,上海上繼科技有限公司有最終解釋權}
更多繼電器精彩文章JSL-26過流繼電器安裝尺寸及技術數據





