差動、重合閘、絕緣監視及其他繼電器系列
您現在的位置:首頁 >> 我們的產品 >> 繼電器 >> 差動、重合閘、絕緣監視及其他繼電器系列
ZJJ-1B絕緣監視繼電器_ZJJ-1B繼電器_工作原理
差動、重合閘、絕緣監視及其他繼電器系列
ZJJ-1B直流絕緣監視繼電器用途
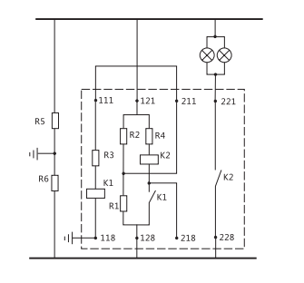
ZJJ-1B型直流絕緣監視繼電器 ,監視直流母線的絕緣情況,用于當母線對地絕緣降低到一定值時,可預發報警信號。
ZJJ-1B直流絕緣監視繼電器工作原理
R1 ,R2( R1=R2 )絕為橋臂平衡電阻, R5 ,R6系直流母線對地絕緣電阻,靈敏元件K1跨接在地和平衡電阻之間。正常時,電橋平衡,靈敏元件繞組無電流通過。在一側絕線電阻下降時,便有一不平衡電流通過靈敏元件繞組,當不平衡電流達到一定值時動作,再由K1觸點接通K2繞組,隨即繼電器發出報警信號。

ZJJ-1B直流絕緣監視繼電器技術要求
1、技術數據見表

2、如有特殊要求,繼電器可滿足以下數據
A、返回系數不小于0.8;
b、觸點斷開容量為DC250V/1A/100W;
c、觸點**接通電流為5A;
d、功率消耗不大于3W。
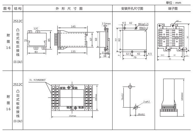
ZJJ-1B直流絕緣監視繼電器外形結構及安裝開孔尺寸




打印當前頁
發郵件給我們: 1932551438@qq.com
手機: 18930817953




